|
|
|
產品查詢結果 |
|
|
|
|
管牙尺寸 |
產品型號 |
Cv 值 |
流量孔徑 |
使用壓力 bar |
B 二條出線式接線 |
C 插接端子式接線 |
交流電壓(AC) |
直流電壓(DC) |
1/8"
|
LHOS061B
|
LHOS061C
|
0.07
|
1.2
|
15
|
15
|
1/8"
|
LHOS062B
|
LHOS062C
|
0.10
|
1.6
|
10
|
10
|
1/8"
|
LHOS063B
|
LHOS063C
|
0.23
|
2.5
|
7
|
7
|
1/8"
|
LHOS064B
|
LHOS064C
|
0.33
|
3.2
|
5
|
5
|
1/8"
|
LHOS065B
|
LHOS065C
|
0.43
|
4
|
3
|
3
|
|
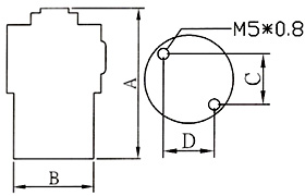
管牙尺寸 |
A |
B |
C |
D |
1/8 |
69.5 |
Ø30 |
15.2 |
17.8 |
|
  
|
  
|
|
|
|
管牙尺寸 |
產品型號 |
Cv 值 |
流量孔徑 |
使用壓力 bar |
B 二條出線式接線 |
C 插接端子式接線 |
交流電壓(AC) |
直流電壓(DC) |
1/4"
|
LHOS081B
|
LHOS081C
|
0.07
|
1.2
|
15
|
15
|
1/4"
|
LHOS082B
|
LHOS082C
|
0.10
|
1.6
|
10
|
10
|
1/4"
|
LHOS083B
|
LHOS083C
|
0.23
|
2.5
|
7
|
7
|
1/4"
|
LHOS084B
|
LHOS084C
|
0.33
|
3.2
|
5
|
5
|
1/4"
|
LHOS085B
|
LHOS085C
|
0.43
|
4
|
3
|
3
|
|
管牙尺寸 |
A |
B |
C |
D |
1/4 |
71.5 |
Ø35 |
16 |
22 |
|
  
|
  
|
|
|
|
|